【匠客工程机械】1台某型电动叉车在进行新车型调试时,当驾驶员接通电源开关、拨动方向挡位开关、踩下踏板加速器后,控制系统报警提示逆变器预充电不足、控制系统主接触器不吸合、叉车不能动作。此时检测电动叉车电气接线符合要求,且电气部件均正常,这给电动叉车电气调试人员带来困惑。
1.工作原理
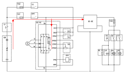
该型电动叉车采用的是控制器厂商推荐的控制电路,如图1所示。当电源开关S2接通后,逆变器逻辑电源KS1得电。逆变器通过自检后,主接触器KM1线圈两端产生压差,主接触器KM1触点闭合,蓄电池通过功率电阻K向逆变器电容C充电,并且检测逆变器电容C是否在规定的时间内充足了电。如果在规定时间完成向逆变器电容C充电,叉车控制系统功率单元接通蓄电池电源。此时即可操纵电动叉车正常工作。为满足电动叉车灯光、声光警示及各种功能传感器的需求,同时保证蓄电池组均衡充放电,控制系统多采用大功率DC-DC直流电源转换器为用电器提供12V或24V电源。

图1 原控制电路
S2——电源开关 KS1——逆变器逻辑电源 KM1——主接触器
K——功率电阻 C——逆变器电容 DC-DC——直流电源转换器
2.原因分析
直流电源转换器DC-DC的容量较大,为了避免直流电源转换器DC-DC得电瞬间的感性负载对电源开关产生的反激电流冲击,控制系统将直流电源转换器DC-DC与逆变器并联在主接触器KM1触点的输出端。此种连接方式在控制系统得电初期,直流电源转换器DC-DC内置电容与逆变器的功率电容C同时得电(电流方向见图1中红色线条和红色箭头)。由于电流分为2路,使得控制系统不能在规定时间内完成对逆变器电容C的充电,控制系统错误地判定自检失败并报警。此时主接触器KM1线圈两端不能产生压差,其触点处于开路状态,即叉车控制系统功率单元保持断路,驾驶员操纵叉车时叉车不能动作。
3.改进方案
为解决控制系统中电源转换器DC-DC内置电容和逆变器电容不能同时得电问题,需重新设置电源转换器DC-DC电源引入位置。为此我们决定在控制系统中新增1个继电器KM2,如图2所示。

图2 改进后的控制电路
S2——电源开关 KS1——逆变器逻辑电源 KM1——主接触器 K——功率电阻
C——逆变器电容 DC-DC——直流电源转换器 KM2——继电器
当电源开关S2接通后,串联在电源开关输出触点的继电器KM2线圈正极得电,使继电器KM2线圈两极产生压差,继电器KM2触点闭合,接通直流电源转换器DC-DC电源。直流电源转换器DC-DC中内置电容得电后,转换出12V或24V电源。
此后,继电器KM2触点闭合,接通了逆变器逻辑电源KS1。逆变器逻辑电源KS1自检合格后,主接触器KM1线圈两端产生压差,其触点闭合。蓄电池电流通过功率电阻K向逆变器电容C充电完成后,叉车控制系统功率单元接通蓄电池电源,使叉车处于备用状态。此时操纵电动叉车即可正常动作。
4.改进效果
在原控制电路基础上增设继电器KM2,可使直流电源转换器DC-DC得电瞬间产生的反激电流完全作用在KM2继电器触点上,有效保护了功率相对较小的电源开关。直流电源转换器DC-DC在继电器KM2触点吸合后立即得电,而逆变器电容C在主接触器KM1触吸合后才得电,即直流电源转换器DC-DC得电先于逆变器,可使逆变器电容C在规定时间内完成预充电。该型电动叉车控制电路改进后,排除了因控制器预充电不足而造成其不能正常动作的故障。
电动叉车控制器预充电不足的原因及改进措施
栾英 姚钢 评论(0)
来源:匠客工程机械
【匠客工程机械】1台某型电动叉车在进行新车型调试时,当驾驶员接通电源开关、拨动方向挡位开关、踩下踏板加速器后,控制系统报警提示逆变器预充电不足、控制系统主接触器不吸合、叉车不能动作。此时检测电动叉车电气接线符合要求,且电气部件均正常,这给电动叉车电气调试人员带来困惑。
1.工作原理
该型电动叉车采用的是控制器厂商推荐的控制电路,如图1所示。当电源开关S2接通后,逆变器逻辑电源KS1得电。逆变器通过自检后,主接触器KM1线圈两端产生压差,主接触器KM1触点闭合,蓄电池通过功率电阻K向逆变器电容C充电,并且检测逆变器电容C是否在规定的时间内充足了电。如果在规定时间完成向逆变器电容C充电,叉车控制系统功率单元接通蓄电池电源。此时即可操纵电动叉车正常工作。为满足电动叉车灯光、声光警示及各种功能传感器的需求,同时保证蓄电池组均衡充放电,控制系统多采用大功率DC-DC直流电源转换器为用电器提供12V或24V电源。
图1 原控制电路
S2——电源开关 KS1——逆变器逻辑电源 KM1——主接触器
K——功率电阻 C——逆变器电容 DC-DC——直流电源转换器
2.原因分析
直流电源转换器DC-DC的容量较大,为了避免直流电源转换器DC-DC得电瞬间的感性负载对电源开关产生的反激电流冲击,控制系统将直流电源转换器DC-DC与逆变器并联在主接触器KM1触点的输出端。此种连接方式在控制系统得电初期,直流电源转换器DC-DC内置电容与逆变器的功率电容C同时得电(电流方向见图1中红色线条和红色箭头)。由于电流分为2路,使得控制系统不能在规定时间内完成对逆变器电容C的充电,控制系统错误地判定自检失败并报警。此时主接触器KM1线圈两端不能产生压差,其触点处于开路状态,即叉车控制系统功率单元保持断路,驾驶员操纵叉车时叉车不能动作。
3.改进方案
为解决控制系统中电源转换器DC-DC内置电容和逆变器电容不能同时得电问题,需重新设置电源转换器DC-DC电源引入位置。为此我们决定在控制系统中新增1个继电器KM2,如图2所示。
图2 改进后的控制电路
S2——电源开关 KS1——逆变器逻辑电源 KM1——主接触器 K——功率电阻
C——逆变器电容 DC-DC——直流电源转换器 KM2——继电器
当电源开关S2接通后,串联在电源开关输出触点的继电器KM2线圈正极得电,使继电器KM2线圈两极产生压差,继电器KM2触点闭合,接通直流电源转换器DC-DC电源。直流电源转换器DC-DC中内置电容得电后,转换出12V或24V电源。
此后,继电器KM2触点闭合,接通了逆变器逻辑电源KS1。逆变器逻辑电源KS1自检合格后,主接触器KM1线圈两端产生压差,其触点闭合。蓄电池电流通过功率电阻K向逆变器电容C充电完成后,叉车控制系统功率单元接通蓄电池电源,使叉车处于备用状态。此时操纵电动叉车即可正常动作。
4.改进效果
在原控制电路基础上增设继电器KM2,可使直流电源转换器DC-DC得电瞬间产生的反激电流完全作用在KM2继电器触点上,有效保护了功率相对较小的电源开关。直流电源转换器DC-DC在继电器KM2触点吸合后立即得电,而逆变器电容C在主接触器KM1触吸合后才得电,即直流电源转换器DC-DC得电先于逆变器,可使逆变器电容C在规定时间内完成预充电。该型电动叉车控制电路改进后,排除了因控制器预充电不足而造成其不能正常动作的故障。
敬请关注 《工程机械与维修》&《今日工程机械》 官方微信
更多精彩内容,请关注《工程机械与维修》与《今日工程机械》官方微信